Produto
Catálogo De Peças Do Torno Romi MKD I
Catálogo de peças do Torno Romi MKD-I, versão impressa e encadernada, com cópia fiel do manual original em preto e branco de alta qualidade. Possui encadernação […]
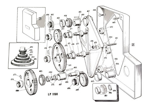
Catálogo de peças do Torno Romi MKD-I, versão impressa e encadernada, com cópia fiel do manual original em preto e branco de alta qualidade. Possui encadernação resistente, ideal para uso técnico em oficinas, fábricas e centros de manutenção. O conteúdo técnico inclui desenhos expandidos (explodidos) dos conjuntos mecânicos, peças numeradas para facilitar a identificação e substituição, além de instruções detalhadas de operação, ajustes, manutenção e lubrificação.
ATENÇÃO! Antes de comprar:
1- Desmonte e confira todas as medidas da peça para se certificar de que ela realmente serve no seu equipamento. Há muitas máquinas modificadas, e equipamentos do mesmo modelo que têm peças diferentes.
2- A garantia se aplica para peças com defeito de fabricação. Portanto, para troca, o produto não pode ser furado, usinado ou sofrer qualquer alteração.
Apenas clientes logados que compraram este produto podem deixar uma avaliação.







Avaliações
Não há avaliações ainda.